鼎英《低壓無功補償成套裝置》產品系列
濾波裝置
主要用途及適用范圍:
KDCF0.4-Z型配變監測及無功補償裝置一般安裝于配電變壓器的低壓側,根據配電變壓器的電壓和無功情況,自動投切電容器組,跟蹤負荷的變化情況進行無功補償,從而提高功率因數,改善供電質量,降低電能損耗。
該
濾波裝置常用于居民小區、村莊等變壓器臺區,在城鄉配電網的改造上發揮重要作用。
型號及含義:

投切方式:J:接觸器;T:晶閘管;F:復合開關
補償容量:20-150kvar
電容支路數:2-6級
舉例說明:KDCF0.4-100/5-FZ 表明設備是柱上安裝補償裝置,總補償量100kvar,補償支路5路,采用復合開關投切。
一般不建議在柱上安裝的配變補償柜內安裝電抗器
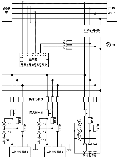
工作原理:
上圖為三路晶閘管投切電容器的原理圖,其采用綜合補償方式。
空氣開關合上后,控制器經過延時后上電開始工作,檢測系統三相電壓、三相電流。根據電壓、電流的幅值和它們之間的相位差,計算得到系統無功功率,并與用戶設置的投入門限、切除門限相比較,再考慮系統電壓的幅值情況確定電容器組的投切。
主要組成部件:
自動控制器:KWWB型低壓無功補償控制器或KWPK型智能配電測控終端
開關:塑殼斷路器和微型斷路器
互感器:CT,裝置外安裝,位于CT盒內,靠近變壓器低壓出線端子
電容器:無特殊要求,用國產優質自愈式低壓電容器
投切執行機構:低壓接觸器、復合開關或晶閘管無觸電開關
保護性元件:避雷器、熔斷器
輔助元件: 高壓穿墻套管、指示燈、繼電器等
柜體:最好使用不銹鋼材料
主要技術參數:
1)額定電壓等級,380V;額定頻率,50HZ
2)額定容量,20-150kvar,可分2-6組
3)裝置能在1.1倍額定工作電壓下長期運行
4)裝置能在方均根值不超過1.3倍電容器組額定電流的過電流下連續運行
5)主要電參數測量精度為0.5級,功率和電度測量精度為1級
6)補償投入反應時間:40ms
7)補償效果:功率因數達到0.9以上
功能特點:
1)無功自動補償,
濾波裝置根據九區圖原理自動跟蹤無功負荷的變化情況,投切電容器組,改善功率因數,提高電能質量。
2)四遙和通信組網功能,
濾波裝置配置多個RS232或485接口,可通過MODBUS等通信協議和其它電力自動化裝置實現互聯,可通過手持無線抄表器或GPRS模塊實現數據傳輸。
3)完善的電容器組保護功能,
濾波裝置具備過壓保護、欠壓保護、過壓回差、欠壓回差、溫度保護、諧波保護功能。
4)投切統計功能,可對電容器的投切次數,投切規律進行統計,以制定合適的投切策略。
5) 可配置變壓器溫度監測功能。
6)可配置變壓器防盜竊功能。
7)專為戶外環境設計,防雨、防潮、防高低溫設計,可適應南北方不同地理氣候特點
工作條件:
工作溫度:-25~55℃
儲存運輸溫度:-40~85℃
相對濕度:5%~95%,無凝露
海拔高度:不高于1000m
風速:小于35m/s
地震強度:小于8級
污穢等級:IV級
安裝方式:
濾波裝置安裝于雙柱間橫擔上或單柱的三角支撐架上,柜體下端離地面距離大于2m。
采樣CT安裝在CT盒內,位于配電變壓器低壓出現端附近,CT二次側線通過套管走線進入裝置內。
安裝支架和包箍使用優質槽鋼或角鋼,采取鍍鋅處理。